皇冠手机官网
部门网站工作年度报表-皇冠手机官网
皇冠手机官网
适老版
无障碍
网站支持IPv6
首 页
市情
皇冠手机官网
政务服务
专题
皇冠手机官网
当前位置:
首页
>
专题
>
皇冠手机官网网站工作报告
>
部门网站工作年度报表
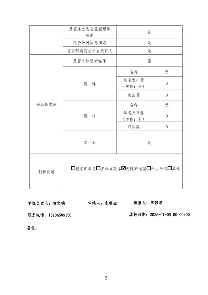
2024年度信用中国(黑龙江皇冠手机官网)网站工作年度报表
日期:
2025-01-09 15:39
来源:
市营商环境建设监督局
【字体:
大
中
小
】
分享到:
Hi!我是智能问答机器人小伊,
很高兴为您服务~
泛目录+镜像
批量镜像网站
整站下载器
霸屏SEO镜像站群
泛域名镜像
自动镜像站群
蚂蚁超级镜像
网站离线镜像
干扰字符镜像
>网站地图-sitemap