皇冠手机官网
部门网站工作年度报表-皇冠手机官网
皇冠手机官网
适老版
无障碍
网站支持IPv6
首 页
市情
皇冠手机官网
政务服务
专题
皇冠手机官网
当前位置:
首页
>
专题
>
皇冠手机官网网站工作报告
>
部门网站工作年度报表
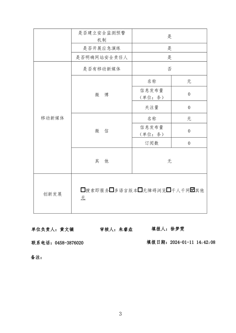
2023年度信用中国(黑龙江皇冠手机官网)网站工作年度报表
日期:
2024-01-11 14:47
来源:
市营商环境建设监督局
【字体:
大
中
小
】
分享到:
Hi!我是智能问答机器人小伊,
很高兴为您服务~
镜像精灵
301镜像站群
镜像小偷
泛域名镜像
干扰字符镜像
百变TDK镜像
量子镜像站群
镜像站群系统
干扰字符镜像
>网站地图-sitemap