皇冠手机官网
部门网站工作年度报表-皇冠手机官网
皇冠手机官网
适老版
无障碍
网站支持IPv6
首 页
市情
皇冠手机官网
政务服务
专题
皇冠手机官网
当前位置:
首页
>
专题
>
皇冠手机官网网站工作报告
>
部门网站工作年度报表
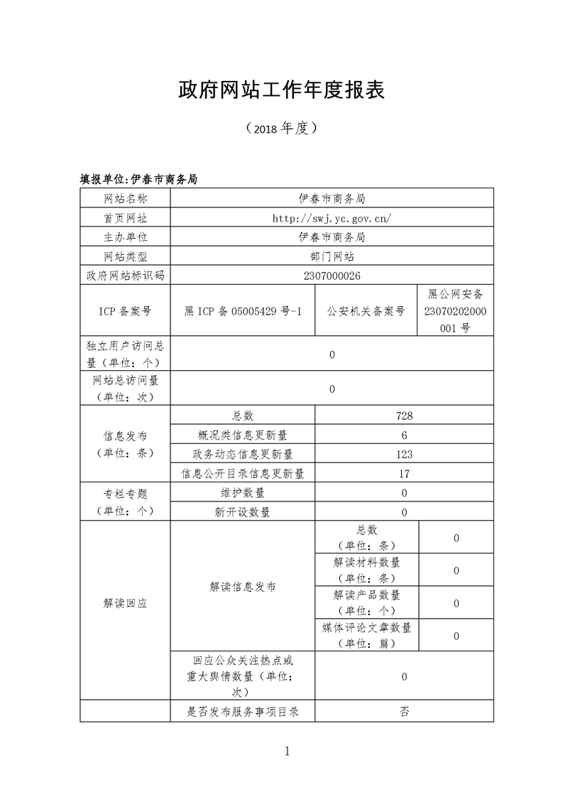
皇冠手机官网商务局网站2018年工作年度报表
日期:
2019-01-17 11:54
来源:
皇冠手机官网商务局
【字体:
大
中
小
】
分享到:
Hi!我是智能问答机器人小伊,
很高兴为您服务~
镜像精灵
镜像网站程序
网站镜像克隆
镜像网站程序
镜像站群霸屏
镜像站群霸屏
镜像程序
自动镜像站群
网站备份克隆
>网站地图-sitemap