皇冠手机官网
部门网站工作年度报表-皇冠手机官网
皇冠手机官网
适老版
无障碍
网站支持IPv6
首 页
市情
皇冠手机官网
政务服务
专题
皇冠手机官网
当前位置:
首页
>
专题
>
皇冠手机官网网站工作报告
>
部门网站工作年度报表
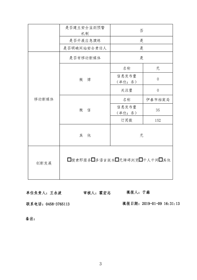
皇冠手机官网档案局网站2018年工作年度报表
日期:
2019-01-17 11:52
来源:
皇冠手机官网档案局
【字体:
大
中
小
】
分享到:
Hi!我是智能问答机器人小伊,
很高兴为您服务~
网站克隆
网站备份克隆
蚪侠镜像站群
网站离线镜像
主动推送镜像站群
镜像精灵
网站复制工具
镜像站群系统
时间因子转换镜像
>网站地图-sitemap