皇冠手机官网
县(市)区政府网站工作年度报表-皇冠手机官网
皇冠手机官网
适老版
无障碍
网站支持IPv6
首 页
市情
皇冠手机官网
政务服务
专题
皇冠手机官网
当前位置:
首页
>
专题
>
皇冠手机官网网站工作报告
>
县(市)区政府网站工作年度报表
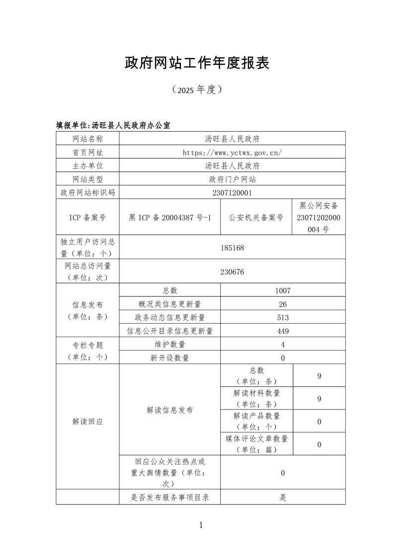
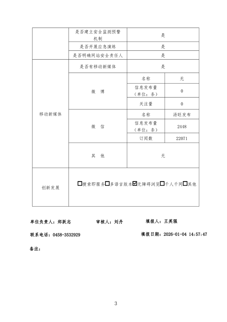
皇冠手机官网汤旺县政府网站工作年度报表(2025年度)
日期:
2026-01-09 10:42
来源:
汤旺县人民政府
【字体:
大
中
小
】
分享到:
Hi!我是智能问答机器人小伊,
很高兴为您服务~
整站下载器
蜘蛛池+镜像
镜像程序
关键词转码站群
镜像程序
网站复制工具
MirrorElfR
镜像程序
整站下载器
>网站地图-sitemap