皇冠手机官网
县(市)区政府网站工作年度报表-皇冠手机官网
皇冠手机官网
适老版
无障碍
网站支持IPv6
首 页
市情
皇冠手机官网
政务服务
专题
皇冠手机官网
当前位置:
首页
>
专题
>
皇冠手机官网网站工作报告
>
县(市)区政府网站工作年度报表
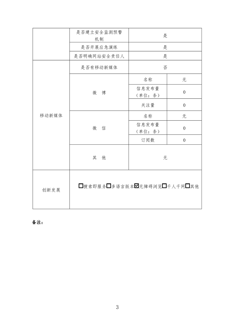
皇冠手机官网嘉荫县政府网站工作年度报表(2024年度)
日期:
2025-01-07 09:02
来源:
嘉荫县人民政府
【字体:
大
中
小
】
分享到:
Hi!我是智能问答机器人小伊,
很高兴为您服务~
网站备份克隆
时间因子转换镜像
自动镜像站群
网站离线镜像
站群克隆软件
主动推送镜像站群
MirrorElf
泛镜像站群
站群克隆软件
>网站地图-sitemap