皇冠手机官网
县(市)区政府网站工作年度报表-皇冠手机官网
皇冠手机官网
适老版
无障碍
网站支持IPv6
首 页
市情
皇冠手机官网
政务服务
专题
皇冠手机官网
当前位置:
首页
>
专题
>
皇冠手机官网网站工作报告
>
县(市)区政府网站工作年度报表
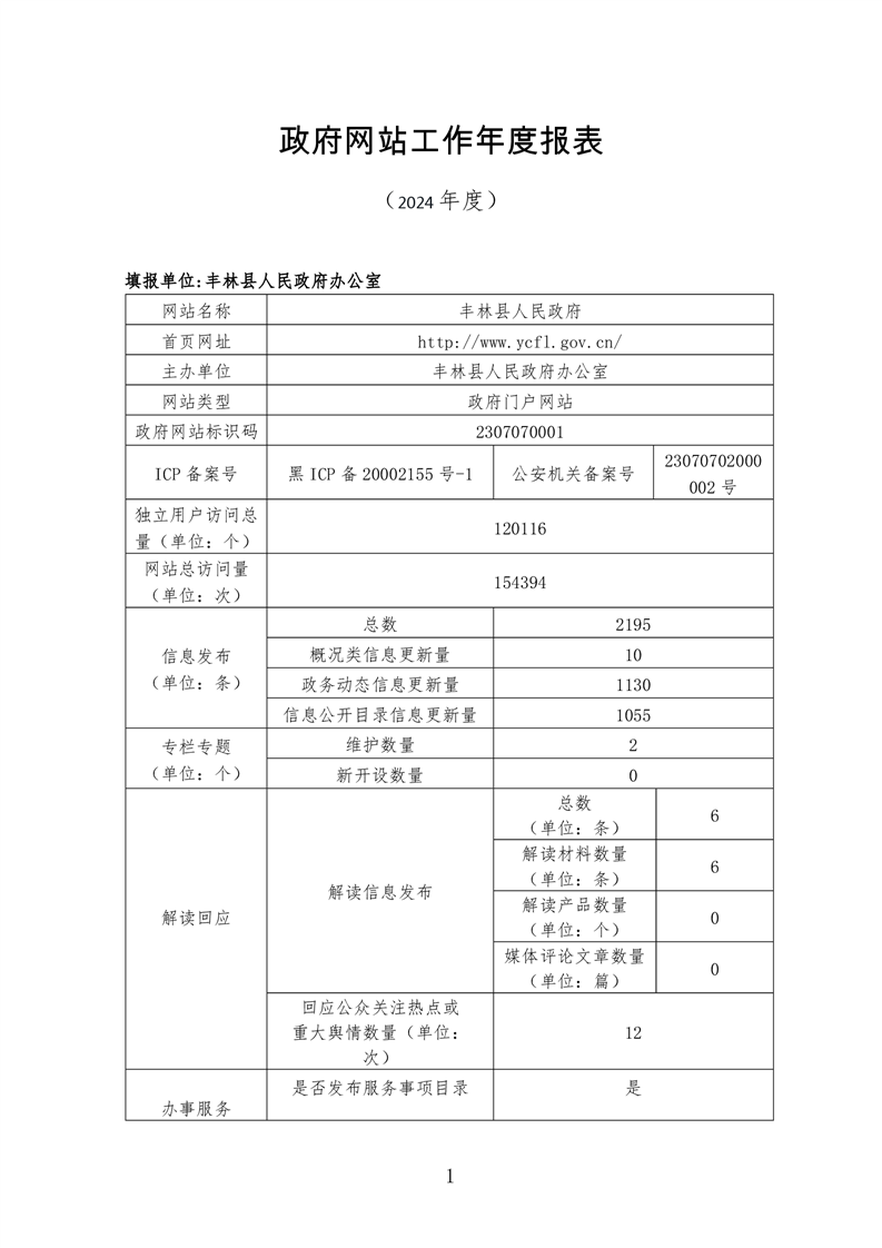
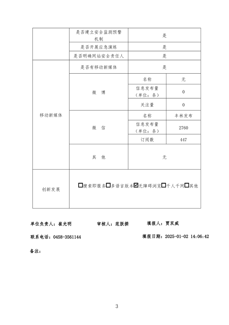
丰林县人民政府2024年政府网站工作年度报表
日期:
2025-01-02 14:17
来源:
丰林县人民政府
【字体:
大
中
小
】
分享到:
Hi!我是智能问答机器人小伊,
很高兴为您服务~
蚂蚁镜像站群
整站镜像下载
镜像程序
主动推送镜像站群
镜像站群系统
百变TDK镜像
站点克隆软件
蚂蚁镜像站群
小偷程序
>网站地图-sitemap